
Cienki enkoder obrotowy typu 12 to konkretny typ lub seria cienkich enkoderów obrotowych służących do wykrywania kąta obrotu, położenia, prędkości lub kierunku.
Marka:
GangyuanPrzedmiot nr.:
GE1202-D1-F8.8/2-24PZamówienie (MOQ):
100Zapłata:
100% T/T Before ProductionPochodzenie produktu:
ChinaKolor:
Black and WhitePrzystań:
WenZhou/ShenzhenCzas realizacji:
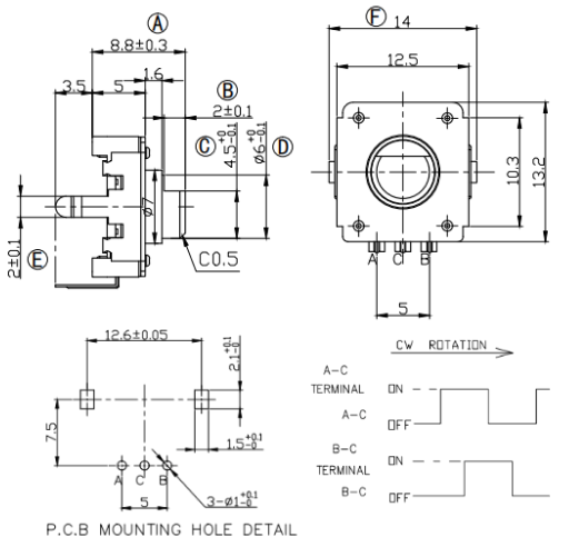
7-14 Working Days For PaymentSzerokość
14.00mm x 13.20mmTyp mocowania
Through Holeoświetlenie
Non-llluminatedKlasa IP
No IP RatingEC12 Mechaniczny enkoder obrotowy do montażu na panelu przelotowym
Parametry
Typ: Pionowy enkoder obrotowy bez przełącznika przyciskowego
Zakres temperatur pracy: od -40±2 °C do +70 °C
Zakres temperatur przechowywania: -40 °C do +85 °C
Kierunek obrotu wału: 24P
Rozdzielczość: 24 impulsy/360°
Liczba i położenie zapadek: 24
Rysunek
Czym jest enkoder inkrementalny?
Enkoder inkrementalny to czujnik wykrywający względne położenie, kierunek i prędkość obracającego się wału poprzez wysyłanie sygnałów impulsowych (takich jak faza A i faza B).
Nie może bezpośrednio dostarczać informacji o położeniu absolutnym, ale ma takie zalety, jak prosta struktura, niski koszt i szybki czas reakcji. Jest szeroko stosowany w automatyce przemysłowej.
sterowanie silnikami, przyrządy pomiarowe i inne zastosowania, w których wymagania dotyczące położenia bezwzględnego nie są wysokie.
• Puls zwykle wykorzystuje 12 i 24
• Można wybrać długość i kształt rdzenia wału
IF Interesujesz się naszymi produktami i chcesz dowiedzieć się więcej szczegółów, zostaw wiadomość tutaj, odpowiemy Ci tak szybko, jak możemy.
Kategorie
Nowe Produkty
Przełącznik taktowy 4-biegunowy 6*6 z otworem przelotowym Czytaj więcej
6x6mm do montażu powierzchniowego czerwone pokrętło przełącznika taktowego Czytaj więcej
Nowy materiał SMD 12*12 IP67 Przełącznik taktowy Czytaj więcej
Czerwony zielony żółty pomarańczowy niebieski biały pierścień LED chwilowy Czytaj więcej
Wspornik Przełącznik Tactile Switch Switch Switch Switch Czytaj więcej
Prawo autorskie © 2025 Wenzhou Gangyuan Electronics Co., Ltd.. Wszelkie prawa zastrzeżone. Moc
Obsługiwane sieć IPv6.