other
Produkty
Dom przełącznik Wyłącznik slajdów. 6-pinowy 2-biegunowy 2-pozycyjny przełącznik kołyskowy

6-pinowy 2-biegunowy 2-pozycyjny przełącznik kołyskowy

Przełączniki suwakowe 2P2T to dwubiegunowe, dwupozycyjne przełączniki sterujące (2Pole 2Throw), które umożliwiają przełączanie dwustanowe dwóch niezależnych obwodów (np. włączanie/wyłączanie, wybór trybu) poprzez działanie kołyskowe, idealne w sytuacjach wymagających zsynchronizowanego sterowania dwoma obwodami.

  • Marka:

    Gangyuan
  • Przedmiot nr.:

    SS22E01-EG4
  • Zamówienie (MOQ):

    1000
  • Zapłata:

    100% before production
  • Pochodzenie produktu:

    Wenzhou
  • Kolor:

    Black
  • Przystań:

    Ningbo or Shenzhen
  • Czas realizacji:

    7-15 working days
  • Szerokość

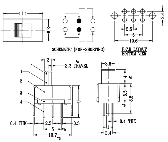
    11.10mm x 6.20mm
  • Typ mocowania

    Through Hole
  • oświetlenie

    Non-llluminated
  • Klasa IP

    No IP Rating
  • Szczegóły produktu

Przełącznik suwakowy metalowy ON-ON DPDT do zabawek


Typowe specyfikacje


Typ: 2-pozycyjne przełączniki suwakowe

Parametry znamionowe: DC50V 0,5A

Siła robocza: 250±100gf

Pełny zakres ruchu: 2,2±0,2 mm

Czas: bez zwarcia

Żywotność: 10 000 cykli

Gałka przełącznika suwakowego: 4 mm

Praktyczny zakres temperatur: -20℃~+70℃


Wymiary przełącznika suwakowego

Przełączniki suwakowe bez zwarcia


Wprowadzenie do przełączników kołyskowych


Przełącznik kołyskowy to urządzenie, które włącza lub wyłącza obwód poprzez przesunięcie dźwigni przełącznika. Typowe typy przełączników kołyskowych to:

jednobiegunowy dwupozycyjny, jednobiegunowy trójpozycyjny, dwubiegunowy dwupozycyjny i dwubiegunowy trójpozycyjny. Jest on powszechnie stosowany w urządzeniach niskonapięciowych.

Przełączniki kołyskowe są szeroko stosowane w różnych obwodach i charakteryzują się elastycznym ruchem suwaka oraz stabilną i niezawodną pracą.

instrumenty/mierniki, różnego rodzaju zabawki elektryczne, faksy, sprzęt audio, sprzęt medyczny, urządzenia kosmetyczne i inne produkty elektroniczne.



zostaw wiadomość

IF Interesujesz się naszymi produktami i chcesz dowiedzieć się więcej szczegółów, zostaw wiadomość tutaj, odpowiemy Ci tak szybko, jak możemy.

Produkty powiązane
 Slide Switch
Przełącznik suwakowy SPDT z otworem przelotowym

Łatwa konstrukcja, miniaturowa obudowa, 3 zaciski, uchwyt pionowy, 1 biegun, 3 pozycje, pokrętło przesuwne.

Slide Switch
Mini poziomy przełącznik slajdów 3 pozycja

Poziomy przełącznik slajdów, pokrętło fali lub kształtu V, 1 pozycja bieguna 3, PCB Montaż.

Slide Switch
Góra powierzchniowa SMD Wyłącznik slajdów.

SMD Przełącznik slajdów, miniaturowy korpus, łatwo obsłużyć, terminal projektowania montażu powierzchniowego z 2 pozycjami, możliwy do pracy do szpuli pakowanie.

Slide Switch
SPDT Mini przełącznik z białym pokrętłem

Side Hearated White Gałka, jeden słup dwa rzut, PCB Projektowanie montażu, 3 terminal, adoptowany w bębnach opakowanie.

Slide Switch
2p3t Obsługiwane bok SMD Wyłącznik slajdów.

Pokrętło sterowane bokiem, 2p3t Typ, 8 Terminów, Mini Kształt dla PCB, także świetne komponenty DIY.

slide switch
2p3t Mini przełączniki do produktów audio

2p3t Przełączniki ślizgowe mini do produktów audio,Łatwa struktura, mini korpus, 8 terminal, pionowy uchwyt, 2-biegunowy 2 pozycja, pokrętło przesuwne siłownik.

slide switch
6 pozycji dla PCB mini smd Wyłącznik slajdów.

MSK-01-B: 7.1mmx3.5mm, 180gf, 2p2t Wpisz slajd przełącznik.

slide switch
8 Way mini PCB SMD DC6V 2p3t Wyłącznik slajdów.

MSK-01Q: 9,9mmx3.2mm , 180GF / 250gf, 2p3t Wpisz slajd przełącznik.

Prawo autorskie © 2026 Wenzhou Gangyuan Electronics Co., Ltd.. Wszelkie prawa zastrzeżone. Moc

Obsługiwane sieć IPv6.

Top

zostaw wiadomość

zostaw wiadomość

    IF Interesujesz się naszymi produktami i chcesz dowiedzieć się więcej szczegółów, zostaw wiadomość tutaj, odpowiemy Ci tak szybko, jak możemy.

  • #
  • #
  • #
  • #
    Odśwież obrazę